熱線:021-66110810,66110819
手機:13564362870

熱線:021-66110810,66110819
手機:13564362870
2結果
圖3 12:00~12:15數據段滑動平均濾波窗口選取示意圖
圖4 13:00~13:15數據段互相關校正圖
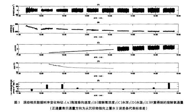
經過處理和計算得到的海流垂向流速、溶解氧濃度、水深、溫度及溶解氧通量數據見圖5和表1。由于CTD安裝位置稍高,導致被海水淹沒前的"空采期"較長,因此舍去了水深和水溫的前20min數據;另外CTD供電系統在13:40左右發生故障,因此水溫的后1h數據未在圖2-8中顯示,水深數據由ADV測量值代替補充。測量期間隨著潮水的上漲,水深變化范圍為0.3~2.8m,平均水深1.68m;水溫在近1.5h內從17.58℃持續下降到16.82℃,據ADV溫度傳感器記錄數據顯示,當日下午14:00~17:00期間水溫依然在下降,但變化幅度極小,17:00時刻水溫為16.48℃。海流水平流速變化范圍為10.380~25.031cm/s,平均水平流速19.43cm/s;垂直流速變化范圍為0.012~0.686cm/s,平均水平流速為0.36cm/s。
圖5渦動相關數據時序變化特征:(A)海流垂向速度;(B)溶解氧濃度;(C)水深;(D)水溫;(E)計算得到的溶解氧通量(正通量表示通量方向為從沉積物指向上覆水)(誤差條代表標準差)
測量過程中,溶解氧濃度變化范圍為292.80 umol/L到248.13?mol/L。在測量初始階段,由于潮水上漲,測點逐漸被海水淹沒,溶解氧濃度快速下降。在12:10左右,溶解氧濃度出現小幅度回升,這可能是由于潮間帶沉積物在被海水淹沒之前暴露于空氣中,沉積物中的間隙水較少,因此溶解態的氧也相對較少,而漲潮后沉積物被海水覆蓋,沉積物間隙中的氧氣快速溶于海水,使溶解氧濃度增加。在此之后,溶解氧濃度隨著水深的增長持續下降,這主要是由于測點位置固定不變,測點與海水-大氣界面距離逐漸擴大,因此溶解氧濃度呈緩慢下降趨勢。在下午14:30后,水深達到2.5m,深度對溶解氧濃度的影響逐漸減弱,溶解氧濃度基本保持穩定,穩定值約為252.89?mol/L。
表1原位渦動相關實驗詳細數據(括號內為平均值)(正通量表示通量方向為從沉積物指向上覆水)
表1給出了實測流速、水深、水溫、溶解氧濃度及溶解氧通量計算結果的具體數據。從中可以看出溶解氧通量存在明顯的規律性。在上午11:40到11:55的觀測初始階段,溶解氧通量為負值,這是由于在漲潮初期水深較淺,測點位置主要受到海水-大氣界面作用影響,近海面氧濃度顯著高于沉積物表層,造成了溶解氧自上而下向沉積物運動。在12:00到12:35這一時段,溶解氧通量轉為正值。如上文所述,漲潮后潮間帶沉積物被海水覆蓋,沉積物間隙中的氧氣快速溶于海水,使沉積物間隙溶解氧濃度增加,高于海水中氧濃度,形成了下高上低的濃度梯度分布。
此后,氧通量緩慢下降,逐漸由正值轉為負值,并在基本達到滿潮時開始回升,重新變為正值,最終達到+49.3±3.7 mmol/m2/d。這可能由幾種機制造成:首先,隨著潮水上漲,水深逐漸增大,測點與海水-大氣界面的距離擴大,形成了從海水表面向下指向沉積物的垂向通量;其次,海流的作用造成了上高下低的氧濃度梯度。據Holtappels M等人研究表明,近岸海域中海流流速隨著距海底距離的增加而增長,這種流速分布會破環近岸水體中原有的氧濃度梯度,產生或增強自上而下方向的溶解氧通量(見圖6)。
第三,當水深達到2.5m左右時,海水-大氣界面作用對溶解氧濃度的影響逐漸減弱消失,測點位置水體環境基本保持穩定。本次研究測區海底礫石和沉積物上長有大量貽貝類和底棲藻類生物,底部藻類光合作用會生成大量的氧,形成自下而上的溶解氧通量。另外,滲透性砂質沉積物在海流的反復沖刷過程中,不斷地被重置與翻新。氧和固態、溶解態有機質被向下帶入滲透性沉積物,增強了微生物的礦化作用,同時缺氧水被沖出沉積物混入上覆水。此時的砂質沉積物便成為了生物催化作用的過濾器和催化劑,刺激了碳循環和氧循環的周轉,造成了較高的底棲氧通量值。
圖6近岸海流流速分布引起的垂向濃度梯度示意
為進一步評估渦動相關數據和所得通量的質量,分別對每個15min數據段(burst)進行累加通量計算,計算結果見圖7。累加通量的斜率代表了所測時間段內的平均氧通量值,可以根據其升降趨勢評估計算的氧通量的細微變化。從圖中可以看出,在漲潮期的大部分時間內,累加通量都沒有顯示出完美的線性趨勢,這表明研究站位的水動力條件極度不穩定。隨著海流流速的增長,在不平坦的砂質沉積物表面反復沖刷的海流引發的壓力差會在上層砂質層中產生強勁的孔隙水流。下午14:30后接近滿潮時,累加通量開始呈現較為線性的走勢,表明此時水動力條件趨于穩定,所測氧通量值對該時段真實氧通量具有很好的代表性。
圖7觀測過程中波動的累加通量
相關新聞