熱線:021-66110810,66110819
手機:13564362870

熱線:021-66110810,66110819
手機:13564362870
從20世紀60年代末開始,微電極技術在水處理領域中得到應用,首先采用溶解氧微電極對滴濾池中的生物膜進行了研究。此后,微電極測試技術引起了越來越多的關注,國內外學者對此開展了廣泛的研究。20世紀90年代開始,ORP微電極和硫化物離子選擇性微電極逐漸被應用到生物膜的研究中。微電極使空間上微米級的分析成為可能,它不但能夠表征生物膜內外沿深度、生物膜表面相垂直方向特征參數的梯度分布和膜內部某深度上特征參數的變化情況,而且通過溶解氧電極的使用,可以直接測定生物膜的厚度。
本文采用排水管道生物膜反應器裝置培養生物膜,使用微電極在不同C/N下進行測試,獲得氨氮、硝酸鹽氮、亞硝酸鹽氮以及溶解氧在生物膜內部的分布規律,進而分析生物膜內部氮元素的遷移轉化機理,旨在探索不同C/N對管道生物膜脫氮過程的影響。
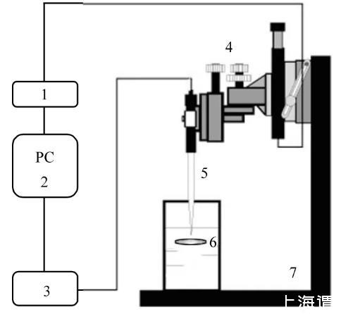
微電極測試系統
微電極測試系統示意圖如下。
圖2微電極測試系統示意
采用NH4+,NO3-,NO2-離子選擇性微電極進行測試,微電極產生的電信號通過丹麥Unisense公司生產的主機MicrosensorMultimeter收集,并通過軟件SensorTrace PRO V。3。1。3在計算機中讀取NH4+的濃度分別為10-5,10-4,10-3,10-2,10-1mol/L時,濃度的負對數與產生的電壓值之間表現出良好的線性相關性,相關系數為0。9987,同樣NO3-、NO2-離子選擇性微電極的相關系數分別為0。9979和0。9985。電極的響應時間指電極從剛開始接觸樣品到測量值達到最大測量值90%所需要的時間,這3種微電極的響應時間都小于10s,而且性能比較穩定。生物膜內DO濃度采用Unisense公司生產的尖端直徑為10μm的DO微電極(OX10)獲得,其響應時間小于3s,攪拌敏感度低,可以可靠、快速地進行測量。微環境的測量應當只在穩定的支架上進行,此支架應當固定在結實無震動的桌子上,實驗中采用Unisense支架LS18以及微電極推進器(MM33-2),推進器通過馬達控制器(MC-232)控制,實現μm級的步進距離。
實驗步驟與條件
分別配制COD分別為60,150,300mg/L,TN均為30mg/L的3種人工配水,對應的C/N比分別是2、5、10。在1。5Pa剪切力條件下運行3組反應器,溫度為25℃左右,通過曝氣將DO控制在1。5mg/L左右,在這3種C/N比條件下培養生物膜,定期取出測試其厚度,待其厚度不再發生變化即認為已達到成熟,取出用微電極測定生物膜內部物質濃度分布情況,主要包括DO、NH4+、NO2-、NO3-,測試時生物膜置于原環境條件下。
微電極的測試結果表明,生物膜內的DO濃度、NH4+濃度和NO3-濃度沿縱深方向逐漸遞減,而NO2-濃度在生物膜內則是沿著縱深方向逐漸遞增。3種C/N比條件下,生物膜內的物質濃度表現出明顯的差異性。
相關新聞